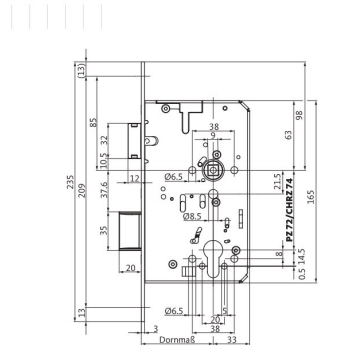
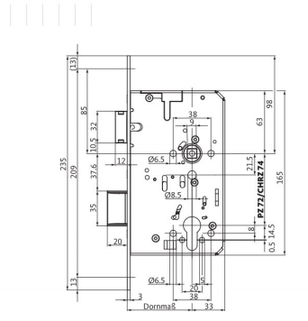
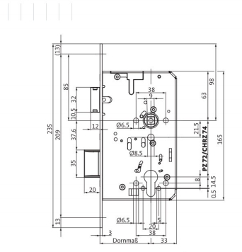
BKS Einsteckschloss B-23200-02-L-8 mit Panik Umschaltfunktion B, DIN links, 72 mm Entfernung, 60 mm Dorn, 9 mm geteilter Nuss, Stulp 20x235 mm abgerundet
BKS Holz- und Stahltürschloss B23200-02-L-8 mit Panik Umschaltfunktion B mit geteilter Nuss
für einflügelige Abschluss-, Durchgangstüren und Feuerschutzabschlüsse nach DIN EN179 /DIN EN1125
60 mm Dorn,
72 mm Entfernung,
9 mm geteilte Nuss,
Stulp 20 x 235 x 3 mm abgerundet
mit Panik Umschaltfunktion B (beidseitig Türdrücker)
Schließrichtung DIN links
Funktion von innen: (bei vorgeschlossenem Riegel)
Die Türe hat auf der Innenseite einen Türdrücker. Durch herunterdrücken
des Türdrückers werden
die Falle und der vorgeschlossene Riegel
zurückgezogen.
Die Türe kann geöffnet werden.
Durch zudrücken der Türe ist diese von außen gesichert (nicht verriegelt!).
Der Aussendrücker hat nach Betätigung der Panikfunktion nach wie vor Leerlauf!
Funktion von außen: (bei vorgeschlossenem Riegel)
Die Türe hat außen ebenfalls einen Türdrücker. Durch zweimaliges
zurückschließen entsteht die Funktion "Durchgang".
Die Türe ist von
beiden Seiten begehbar. Durch einmaliges oder zweimaliges Vorschließen
des Riegels entsteht die Funktion "Abschluß".
Die Türe ist nur mit dem
Schlüssel begehbar. Empfehlenswert ist den Riegel zwei Mal
vorzuschließen.
Bei einmaligem verschließen ist die Türe nicht
verriegelt sondern nur durch die Falle gesichert!
Verwendung:
Für Türen, die zeitweise einen Durchgang von innen und außen ermöglichen
müssen.
Um das Öffnen der Türe von außen nach einer Panikentriegelung
zu verhindern,
muss der Riegel wieder mit dem Schlüssel vorgeschlossen
werden.
Eine Öffnung der Türe ist von der Innenseite (Gefahrenseite)
jederzeit möglich.
BKS GmbH Heidestr. 71 D-42549 Velbert 02051/201-0

Sie haben Ihr Passwort vergessen?





