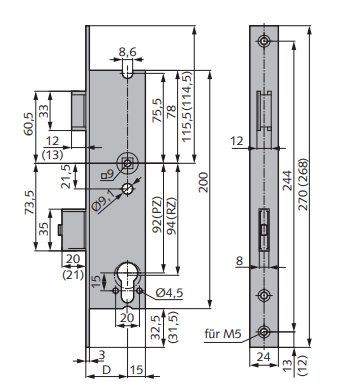
Schlechtendahl Rohrrahmen Panikschloss 14.164.3500.426, Serie 200, Funktion B mit geteilter Nuss, 35 mm Dorn, mit Flachstulp 24 x 270 mm
Schlechtendahl Rohrrahmenschloss Serie 200, Art. Nr. 14.164.3500.426
mit Panik Umschaltfunktion B (geteilte Nuss 9 mm)
- für 1 flügelige Türen mit Türdrücker auf der Außenseite
- vorgerichtet für Profilzylinder (eintourig)
- Falle und Riegel bündig
- 92 mm Entfernung
- 35 mm Dorn
- Flachstulp 24 x 270 mm
- Riegelausschluss 20 mm
weitere Modelle auf Anfrage
Wilh. Schlechtendahl & Söhne GmbH & Co KG Hauptstr. 18 - 32 D-42579 Heiligenhaius Tel. +49 2056 17-0 Mail: wss@wss.de

Sie haben Ihr Passwort vergessen?

.jpg)
.jpg)